Se hai riscontrato dei problemi, torna al vecchio sito cliccando qui
Comunicazione importante Per interventi tecnici programmati alla produzione, gli ordini effettuati a partire dal 29 Ottobre saranno presi in carico e processati a partire dal 8 GENNAIO 2026 . Ci scusiamo per il disagio e restiamo a disposizione per qualsiasi chiarimento.

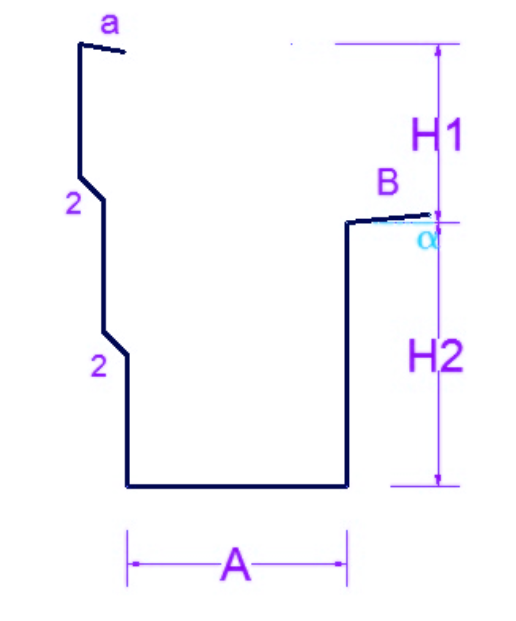
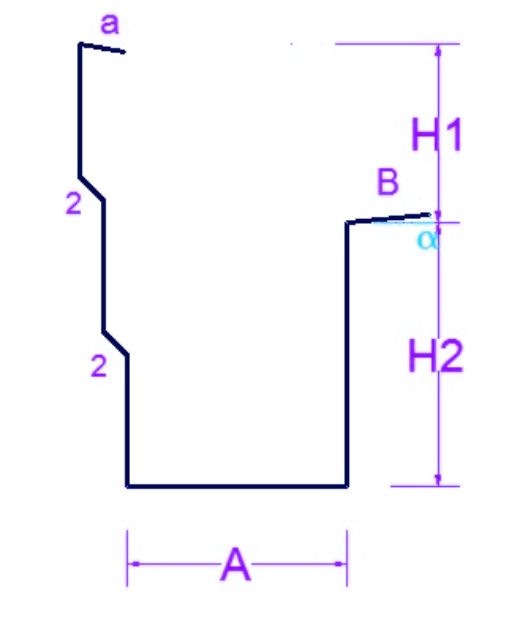
Due scalette

Grondaie con Profili su Misura

Due scalette

Gronda a due scalette, con più variabili da inserire. Oltre alle misure delle altezze H1 e H2 si possono inserire la base A, e le due alette a e B. Indicato per misure un pò diverse dalle usuali.


VARIABILI, VINCOLI E CALCOLI


Numero Pezzi Lunghezza (cm)

Per le spedizioni all’estero la lunghezza massima è di: 400 cm

Prodotti Correlati

Nessun prodotto correlato